产品概述
该机主要应用于方形不锈钢周转料斗的提升和加料。可与压片机、混合机、制粒机等设备配套使用。广泛应用于制药、化工、食品等行业中。
400-822-0082
在线联系



|
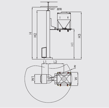
型号
|
结构尺寸
|
净负载
Kg
|
提升功率KW
|
||||||||
|
H
|
H1
|
H2
|
H3
|
W
|
W1
|
R
|
L1
|
L2
|
|||
|
LDT200
|
>3500
|
2500
|
3500
|
3350
|
600
|
700
|
1600
|
550
|
800
|
160
|
1.5
|
|
LDT400
|
>3800
|
2500
|
3800
|
3630
|
800
|
700
|
1800
|
550
|
1000
|
320
|
1.5
|
|
LDT600
|
>3800
|
2500
|
3800
|
3690
|
1000
|
700
|
2000
|
550
|
1100
|
480
|
2.2
|
|
LDT800
|
>4000
|
2500
|
4000
|
3890
|
1000
|
750
|
2000
|
600
|
1100
|
640
|
2.2
|
|
LDT1000
|
>4200
|
2500
|
4000
|
3990
|
1200
|
750
|
2100
|
600
|
1300
|
800
|
3
|
|
LDT1200
|
>4200
|
2500
|
4200
|
4130
|
1200
|
750
|
2100
|
600
|
1300
|
960
|
3
|
|
LDT1500
|
>4600
|
2500
|
4400
|
4340
|
1200
|
750
|
2100
|
650
|
1300
|
1200
|
3
|
|
LDT2000
|
>4800
|
2500
|
4600
|
4620
|
1200
|
750
|
2100
|
650
|
1300
|
1600
|
3
|
|
LDT2500
|
>4500
|
2000
|
4200
|
4400
|
1400
|
750
|
2200
|
700
|
1350
|
2000
|
3
|
|
LDT3000
|
>4800
|
2000
|
4200
|
4650
|
1400
|
750
|
2200
|
700
|
1350
|
2400
|
3
|
上一篇:JQX系列在位简易清洗泵站
下一篇:CJT系列层间提升机
近日,一步干燥2025年中工作总结会议以 “线上 + 线下” 的形式圆满召开。公司董事长查国才、总经理查文浩与各条线负责人、党员及…