产品概述
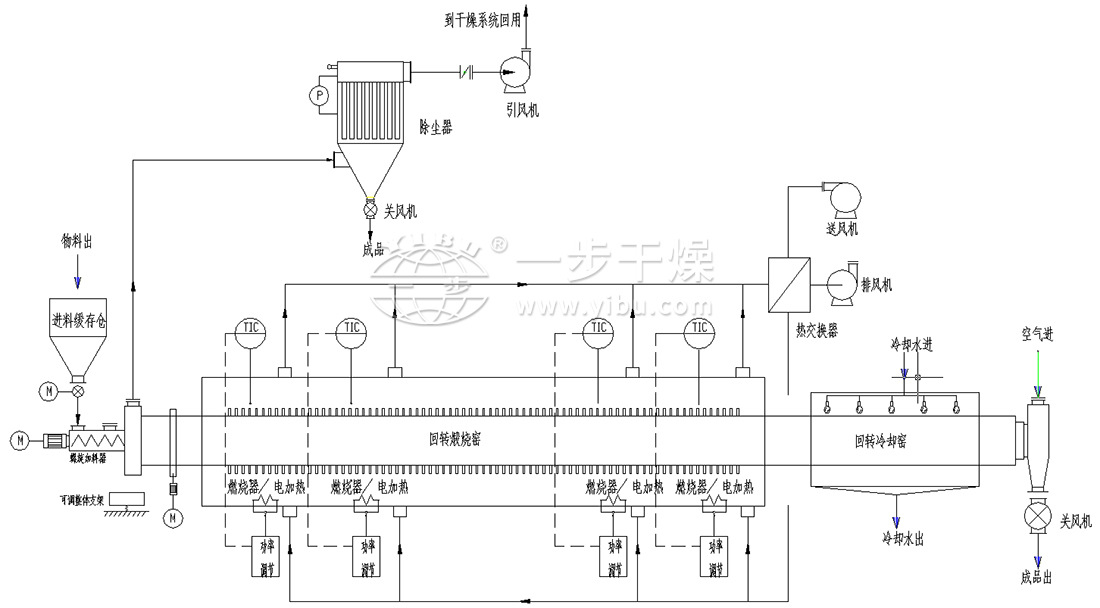
HYD系列回转煅烧窑(也称回转焙烧炉,回转煅烧炉)由炉筒、加热系统、保温系统、进料系统、出料控制系统组成。该设备一般按所采用能源的不同可分为燃气式煅烧窑和电加热式煅烧窑。
400-822-0082
在线联系


回转煅烧窑一般由炉筒、加热系统、保温系统、进料系统、出料控制系统组成。该设备一般按所采用能源的不同可分为燃气式煅烧窑和电加热式煅烧窑。当炉体温度加热到工艺要求后,将要煅烧的物料由进料系统将送入炉筒内。加热系统采用电加热辐射或燃烧器加热,通过调节电加热功率调节或燃烧器的调节来保持炉膛各区域的工作温度。炉筒存在一定倾斜,使炉筒在慢速转动过程中,物料一边煅烧,一边缓慢向前移动,物料在炉筒内的停留时间,可通过调节炉筒的倾角和转速来控制。最后由炉尾出料系统将物料送至下一道工序。
1、 热源形式可采用电加热、燃气或高温烟气等;
2、 煅烧温度分区域设定,自动控制,
3、 煅烧时间可通过转速、倾角等手段调节;
4、 根据煅烧工艺曲线和物料特性,选择煅烧炉多种抄板形式;
5、 具有意外停电盘车保护装置;
6、 自动化程度高,操作强度低,操作环境好;
7、 保温密封性能好,热损失小;
8、 结构牢固,持久耐用,可长期连续运转;
9、 维护简单,保养方便;
10、 连续运行,易于与上下游设备对接;
11、 操作温度达350-1050℃。
|
炉筒尺寸(mm) Machine size |
转速(rpm) |
主机功率(KW) Power |
焙烧温度(℃) Temperature |
类型 |
|
Φ400x6000 |
0.5-5 |
2.2-3 |
350~1050 |
电热式 |
|
Φ600x8000 |
0.5-4 |
2.2-3 |
电热式 |
|
|
Φ800x10000 |
0.5-4 |
3-4 |
电热式/燃气式 |
|
|
Φ1000x12000 |
0.5-3 |
5.5-7.5 |
电热式/燃气式 |
|
|
Φ1200x14000 |
0.5-3 |
5.5-7.5 |
电热式/燃气式 |
|
|
Φ1400x16000 |
0.5-2 |
5.5-7.5 |
电热式/燃气式 |
|
|
Φ1600x18000 |
0.5-2 |
7.5-11 |
电热式/燃气式 |
|
|
Φ1800x20000 |
0.5-2 |
7.5-11 |
电热式/燃气式 |
|
|
Φ2000x22000 |
0.5-2 |
15-22 |
电热式/燃气式 |
|
|
Φ2200x24000 |
0.5-1.5 |
15-22 |
电热式/燃气式 |
|
|
Φ2400x26000 |
0.5-1.5 |
18.5-22 |
电热式/燃气式 |
|
|
Φ2600x28000 |
0.5-1.5 |
18.5-22 |
电热式/燃气式 |
|
|
Φ2800x30000 |
0.5-1.5 |
22-30 |
电热式/燃气式 |
|
|
Φ3000x32000 |
0.5-1.5 |
22-30 |
电热式/燃气式 |
上一篇:YRDW除湿余热带式干燥机
下一篇:LDG单锥螺带真空干燥机
近日,一步干燥2025年中工作总结会议以 “线上 + 线下” 的形式圆满召开。公司董事长查国才、总经理查文浩与各条线负责人、党员及…